
概述
HYG型回轉圓筒干燥機是一種處理物料量大,能連續干燥的干燥機。它主要由熱源、加料裝置、轉筒、傳動裝置、出料部分以及尾氣除塵裝置等組成。該機生產能力大,適用范圍廣,流體阻力小,操作上允許波動范圍大,操作方便。干燥后物料含水量可低子1%。
特點
1.轉筒干燥器機械化程度高,生產能力較大;
2.流體通過筒體阻力小,功能消耗低 ;
3.對物料特性的適應性比較強 ;
4.操作穩定,操作費用較低,產品干燥的均勻性好。
熱源
蒸汽、電、熱風爐或其它工業廢熱等。
載熱體
熱空氣、煙道氣等。
應用
適用于化工、冶金、建材、輕工等行業和粉狀、顆粒狀、塊狀以及摻入干料的膏糊狀物料。在化工行業中,如硫酸銨、硫化堿、硝酸銨、尿素、草酸、重鉻酸鉀、聚氯乙烯、二氧過錳、碳酸鈣、磷礦、普通過磷酸鈣、重過磷鈣、磷酸三納、三聚磷酸鈉等的干燥。
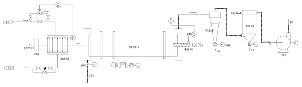
工作原理
如圖所示,需干燥的濕物料經過螺旋傳送機送到HYG干燥機的進料箱后進入轉筒內,轉筒為一稍傾斜的圓筒。物料與載熱體在筒內通過抄板的作用充分接觸,該接觸方式根據物料的特性有逆流接觸和并流接觸。隨著筒體的轉動,物料在重力作用下移動到較低的一端,濕物料在移動過程中,從載熱體吸收熱量,使水份蒸發而得以干燥。隨后經出料箱出料。載熱體吸收水份后作為尾氣排出筒體。尾氣排入大氣前,可經除塵裝置除塵后排定。根據對尾氣含塵量的要求不同,可選擇對除塵設備的配置組合。(如要求較低含塵量,可將尾氣先經旋風除塵器處理,再經脈沖袋式除塵器或水幕除塵器進一步處理后排空)。

工藝流程圖